返回顶部
13397137705
在线咨询
微信二维码

发布时间:2024-02-18 16:37:05 浏览次数:1356次
01 钢板表面防锈现状
1)国企选用进口品牌(DUMA、GFG),价贵、维护难
2)中等以上民企选用国产涂油机,水平参差不齐
3)静电涂油机主要问题:漏涂、涂油不均
4)选用辊涂、浸涂,油耗大、涂油不均、环境差等
02 静电涂油机组分类
新裕科技静电涂油机主要有三类:
1)卧式静电涂油机
主要用于冷轧板生产线:酸洗、精整线、镀锌及连退
2)立式静电涂油机
主要用于镀锡/镀铬板、铝板等需要微小涂油量产线
3)机械零件静电涂油机
根据零件形状做专门设计
03 卧式静电涂油机
静电雾化原理:
计量泵为刀梁提供定量专用静电防锈油,接有高压电源的刀梁与接地钢带间形成均匀静电场,防锈油从刀梁流出时形成带上相应电荷的油滴,油滴在电场内迅速雾化,在电
场力的作用下向钢板运动,均匀吸附在钢带表面,并快速扩散,形成良好的防锈油膜。

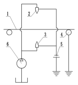
卧式静电涂油机原理图
1-金属板材;2-上刀梁;3-下刀梁;4-托辊;5-高 压电源;6-计量泵
03.1 技术参数
1)涂油宽度:500 ~ 2500mm
2)涂油量:0.1~3.0 g/m²连续可调,与速度闭环控制
3)涂油方式:可任选单面涂油或双面涂油
4)涂覆油品:可满足多种油品涂覆要求
5)无漏涂或涂油不均现象
6)涂油质量不受机组速度和环境温度影响
7)工作方式:三班连续工作,安全可靠
8)工作状态:手动/自动可供选择

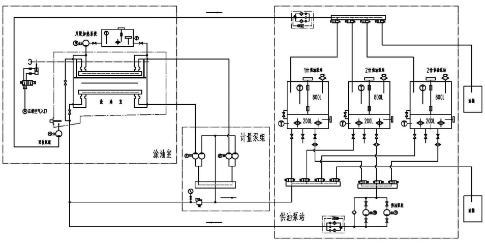
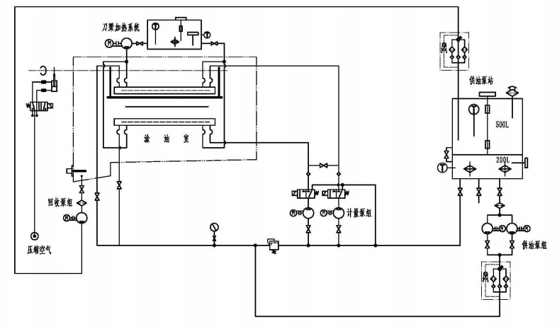
03.2 系统原理图

满足三种油品喷涂的原理图

满足单油品喷涂的原理图
03.3 设备组成
涂油室——在线布置在机组中
结构形式:C型横移式或者封闭固定式
组成部分:
1)箱体,钢板焊接,横移式配电机减速机
2)上下刀梁及其横移小车,快速更换清理刀梁
3)刀梁防护板组,防止刀梁碰撞损坏
4)上刀梁接油装置,防止不涂油时油液滴落
5)二次雾化装置,获得更好雾化效果
6)涂油室加热装置,保证温度恒定,效果更佳
7)涂油室内照明,便于观察涂油效果

03.3 设备组成
供油泵站——离线放置/靠近涂油室
结构形式:单油箱泵站和多油箱组合泵站
组成部分:
1)箱体采用钢板或304板焊接,可多油箱组合
2)供油泵组:给计量泵供油,提供刀梁冲洗油
3)计量泵组:给刀梁提供定量喷涂防锈油
4)防锈油过滤系统:泵前、供油/回油管路过滤
5)油站加热装置:油温恒定,确保雾化效果
6)箱体液位观察、检测及报警系统

03.3 设备组成
刀梁加热系统——放置在涂油室顶部
结构形式:加热泵、油箱、管道加热器组成
1)加热泵:电机直连式,带调压阀
2)设置管道加热器,确保进刀梁加热油温度
3)加热油管采用四氟管,耐温绝缘
回收油系统——安装在涂油室底部
1)涂油室底部为回油箱体
2)设置液位计检测回油箱液位,自动回抽
03.3 设备组成
直流高压电源——放置在涂油室顶部箱体
结构形式:
技术参数:
1)输入:AC220V±10% ,50/60Hz
2)输出:DC 0~±100kv,max.2mA
3)电流和电压调节功能
4)数字电压/电流显示
5)过压和输出短路保护
6)可选功能:恒功率/双高压电源电缆输出

03.3 设备组成
电控系统——安装在涂油室附近
设备组成:电控柜及操作台
1)控制供油泵站,给刀梁提供定量防锈油
2)开启/关闭高压电源,产生高压电场
3)加热油泵/回油泵的控制
4)系统加热控制:涂油室/供油泵站/刀梁加热 5)
液位监测:供油泵站/加热油箱/回油箱液位
6)其它监测:过滤器报警/安全联锁等

03.4 设备特点
涂油刀梁
1)采用碳钢或铝合金制作
2)内部独立进油通道和密闭加热通道
3)根据涂油量大小设计特殊的间隙,确
保均匀,间隙大小:0.07~0.15mm

03.4 设备特点
计量泵
1)采用双联齿轮泵,两输出通道
2)选用小模数齿轮泵,精度高
3)每台泵出口通道做到用一备一
4)体积小、传动功率小

计量泵结构图
04 进一步研究方向
静电涂油机漏涂检测系统
1)检测原理:基于静电涂油机油液静电雾化原理,采用图像处理技术对
油液雾化初期进行监测,通过对监测系统采集数据进行分析、计算和比对,
依设定的相关标准来判断涂油机是否漏涂或涂油不均,并提供后序解决方
案(报警、在线冲洗或记录)。
2)漏涂检测特点:实时性、开放性、准确性、可追溯性。
3)已经完成设备中试,可以准确检测出涂油机漏涂。
专利名称:一种静电涂油机漏涂检测系统及其检测方法
专 利 号:ZL 2015 1 0626845.6
下一条:静电涂油机组